AS2780
  • AS2780AS2780

AS2780

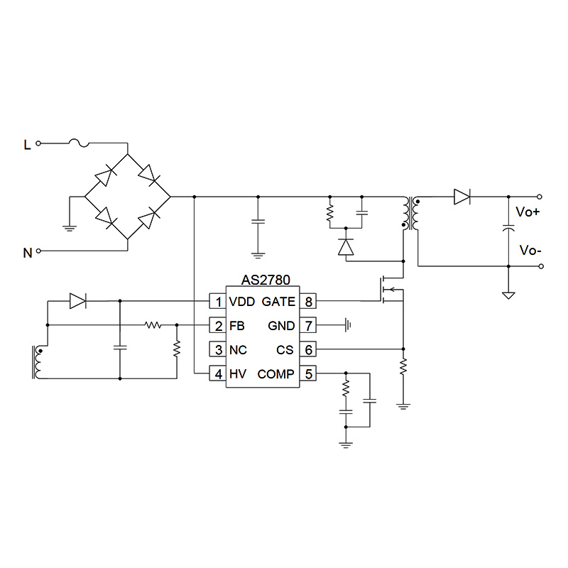
AS2780 ialah pengawal keluaran voltan malar dengan faktor kuasa tinggi, herotan harmonik jumlah rendah dan kawalan sisi utama.

Hantar Pertanyaan

Penerangan Produk

PF tinggi, THD rendah, kawalan sisi utama kawalan voltan malar flyback kuasi-resonans


AS2780 ialah pengawal keluaran voltan malar dengan faktor kuasa tinggi, herotan harmonik jumlah rendah dan kawalan sisi utama. Cip mempunyai litar permulaan voltan tinggi terbina dalam, yang boleh memenuhi keperluan permulaan pantas dan siap sedia ultra-rendah.

AS2780 menggunakan mod kerja kuasi-resonan, sistem mempunyai kecekapan kerja yang tinggi, tetapi juga boleh memperoleh prestasi EMC yang lebih baik. Cip boleh menetapkan kekerapan operasi terendah, yang boleh memastikan bahawa voltan keluaran sistem tidak hanyut di bawah keadaan beban pseudo ringan, dan memenuhi keperluan kehilangan siap sedia yang rendah.


Mekanisme pengehad voltan keluaran adaptif terbina dalam KP2813, mempercepatkan tindak balas dinamik beban untuk memenuhi keperluan aplikasi yang berbeza. AS2780 disepadukan sepenuhnya dengan ciri perlindungan, termasuk: VDD Undervoltage protection (VDD UVLO), VDD Overvoltage protection (VDD OVP), input Undervoltage protection (BOP), output Overvoltage protection (OVP), output Undervoltage protection (UVP), arus kitaran Had (OCP), Perlindungan Arus Lebih Tidak Biasa (AOCP), perlindungan beban lampau (OLP), perlindungan litar pintas (SCP), perlindungan terlalu panas terbina dalam (OTP), blanking depan (LEB), dsb.


Ciri utama

• Kecekapan tinggi dalam mod kuasi-resonan

• Faktor kuasa voltan penuh >0.95, THD<10%

• Harmonik yang digredkan memenuhi IEC61000-3-2 Kelas C

• Permulaan lembut pantas terbina dalam, masa permulaan sistem <500ms

• Output ketepatan tekanan malar ±3%

• Bersepadu 650V voltan tinggi permulaan dan litar bekalan kuasa

• Arus permulaan dan operasi yang sangat rendah, penggunaan kuasa siap sedia <50mW

• Jenis pengekapsulan SOP-8


• Ciri perlindungan bersepadu:

• VDD overvoltage/undervoltage protection (VDD OVP/UVLO)

• Perlindungan lebihan voltan keluaran (OVP)

• Input Undervoltage Protection (BOP)

• Perlindungan terlalu panas (OTP)

• Perlindungan Semasa Jangka Mingguan (OCP/AOCP)

• Output Perlindungan Litar pintas (SCP)

• Perlindungan Lebihan Beban (OLP)

• Pengosongan hadapan (LEB)


Aplikasi biasa

• Pencahayaan pintar, pencahayaan landskap

• Bekalan kuasa luaran voltan malar



Hubungi Kami

Ibu Pejabat Shenzhen: Tingkat 10, Bangunan Pusat Penyelidikan dan Pembangunan, EVOC Taman Perindustrian, 

GJalan uangming, Guangming Daerah, Shenzhen City, Provinsi Guangdong, China

Tapak Web Rasmi Syarikat: www.cokinsemi.com

 

e-mel: wyq@cokinic.com

telefon:+86-18681585060

 




Teg Panas: AS2780, China, Pengilang, Pembekal, Kilang, Disesuaikan, Harga Rendah, Kualiti, Termaju, Tahan Lama, Jualan Terkini, Ada Stok
Kategori Berkaitan
Hantar Pertanyaan
Sila berasa bebas untuk memberikan pertanyaan anda dalam borang di bawah. Kami akan membalas anda dalam masa 24 jam.
X
Kami menggunakan kuki untuk menawarkan anda pengalaman menyemak imbas yang lebih baik, menganalisis trafik tapak dan memperibadikan kandungan. Dengan menggunakan tapak ini, anda bersetuju dengan penggunaan kuki kami. Dasar Privasi
Tolak Terima